金鑫宇電源(深圳)有限責任公司
電話:0755-28889315
傳真:0755-28889316
業務經理:18688922986
技術支援:13632860590
郵箱:huwuzai@126.com
地址:深圳市龍崗區同樂社區園新路38號
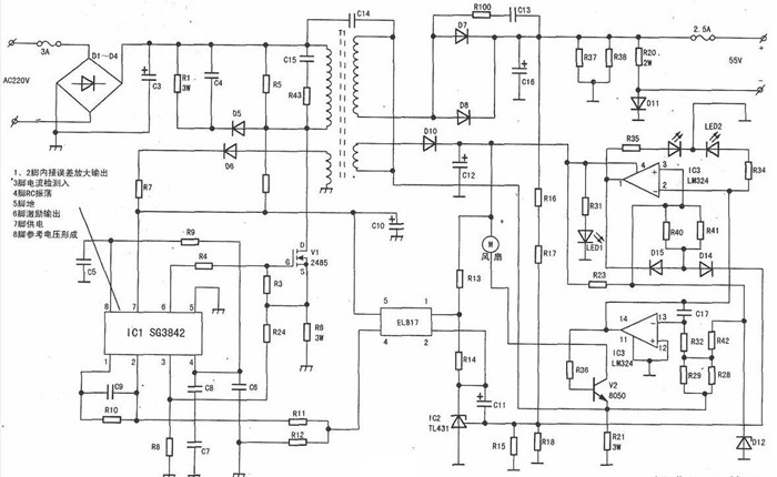
圖紙講解48V電動自行車充電器為何不能充電器
文章作者:handler 時間:2017-12-11 08-54-27
經過一番周折終于查出故障原因。原來是用戶不慎將充電器跌落在地,外殼破損請人修理,而修理者誤將電源輸出軟線在印制板焊點上互相交錯了焊點,將正負極性搞錯,燒斷了輸出保險絲(其保險絲是制板制出來的)。起初也沒有注意到這一點,在輸出保險絲處發現有5mm空隙,用放大鏡看到兩端均有一個小銅球(約O.lmm),知道這是一段保險絲。保險熔斷說明電路有短路故障,前面所說一番周折便因此而來。為對充電器進行全面檢查,先繪制出印制板圖,再繪制出原理圖,依圖對所有元件進行了一番檢測,沒有發現燒損和短路元件,這才敢通電檢查各處電壓,在未發現短路情況后,依據兩端銅球大小用0.1mm銅線焊在原保險絲兩端,同時在正負銅箔間焊上200Ω/lOOW電阻串上SA直流表,通電,輸出電流為200mA,正常。既然正常,又為何要燒保險呢?用表筆測輸出電壓,發現表筆反打,這才發現修理者將線頭焊錯了。將線頭重焊后測輸出電壓55V正常。此系修理者疏忽焊錯線頭,將充電器充電變成了放電。

推薦資訊
- 2017-10-18XVE-金鑫宇電源專業生產充電器|電源適配器
- 2025-12-25【重磅預告】CES 2026,我們帶著 1500W 全場
- 2024-05-13金鑫宇電源參加第32屆中國國際自行車展覽會
- 2018-06-07金鑫宇電源亮相2018廣州國際照明展覽會(光
- 2018-05-162018中國(上海)國際自行車展覽會
- 2018-04-19號外:居然是它!金鑫宇滑板車充電器
- 2018-03-15金鑫宇充電器,手機充電速度快不快?
- 2018-03-12XVE免費拿樣!42V1.5A扭扭車平衡車鋰電池充電
- 2017-11-28金鑫宇電源新款X-1902充電器
- 2017-11-28金鑫宇電源:X-248W帶PFC充電器
