金鑫宇電源(深圳)有限責任公司
電話:0755-28889315
傳真:0755-28889316
業務經理:18688922986
技術支援:13632860590
郵箱:huwuzai@126.com
地址:深圳市龍崗區同樂社區園新路38號
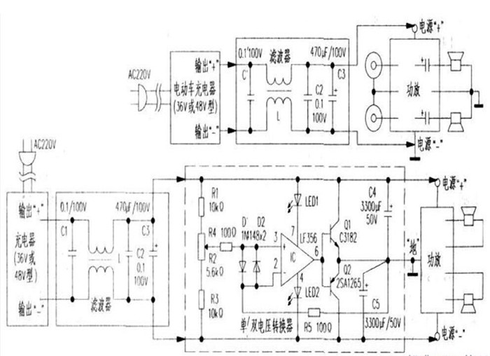
用充電器作電源,只需挑選充電器的輸出電壓(36與48V型)接近所采用功放的電源電壓值,按上圖方式連接使用即可。圖中除充電器與功放外,兩者間加入的L、C1~C3等元件環節。

作用是用于過濾開關電源電路易輻射出的高頻調制雜波干擾成分,以讓供電直流電壓更為純凈。以提高功放工作信噪比。附加元件中的電容選用應注意要耐壓足夠:L則可用E型鐵氧磁芯簡單自制,用銅線徑不小于φ1mm的漆包線或其他絕緣電錢。采用中心磁芯截面5mm×5mm大小的E型磁芯,在中心骨架上,同向分別繞兩個25匝的相同線圈即成,實際使用亦依上圖所示援入便可。
對于采用OCL(或BTL)功放電路來說,其為“正,負雙直流電壓”供電,必須在充電器與功放之間附加上一個“單/雙”直流電壓轉換電路裝置。先將充電器上原直流“單電壓”處理成正/負對稱“雙電壓”后,再形式對應地供于此類功放上作為工俸電源來使用。實際的連接組成如下圖所示。虛線框內部分為“單,雙”電壓轉換電路。對于輸入的電壓具有自適應性。即無論輸入端為“36V型”或是“48V型”充電器接入,而該電路均能先由IC運放輸入腳所接的均壓電阻R1—R3取樣。并進入IC內電路比較。最后可于輸出腳產生出與輸入充電器電壓“止、負”極間“(+)-O—(-)”形式的雙電壓;此后,由功率管Q1~Q2再完成擴流接續。成為功放所需供電電源。
當轉換電路裝成后。先不接人功放,空載F測得電路輸出端“正-零-負”雙電壓存有偏差時。通過微調電位器R2,而使輸出端雙電壓“上、下”互為對稱即可(各為輸入電壓1/2電壓值)。此轉換電路Q1、Q2功率對管均應安裝散熱片。
下圖中的L、C濾波環節和上圖中的完全相同。
推薦資訊
- 2017-10-18XVE-金鑫宇電源專業生產充電器|電源適配器
- 2025-12-25【重磅預告】CES 2026,我們帶著 1500W 全場
- 2024-05-13金鑫宇電源參加第32屆中國國際自行車展覽會
- 2018-06-07金鑫宇電源亮相2018廣州國際照明展覽會(光
- 2018-05-162018中國(上海)國際自行車展覽會
- 2018-04-19號外:居然是它!金鑫宇滑板車充電器
- 2018-03-15金鑫宇充電器,手機充電速度快不快?
- 2018-03-12XVE免費拿樣!42V1.5A扭扭車平衡車鋰電池充電
- 2017-11-28金鑫宇電源新款X-1902充電器
- 2017-11-28金鑫宇電源:X-248W帶PFC充電器
